Split Type Air-conditioner Indoor Unit Motor

Plastic Packaged Motor

Model No.

Power(W)

Voltage(V)

Frequency(HZ)

Speed regulating
Number of  poles

Noise(db)

YDK-6-4C
6
200-240
50
123
4
42
YDK-7-4C
7
200-240
50
123
4
42
YDK-8-4C
8
200-240
50
123
4
42
YDK-10-4C
10
200-240
50
123
4
42
YDK-12-4C
12
200-240
50
123
4
42
YDK-15-4C
15
200-240
50
123
4
42

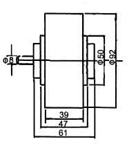
Dimension & mounting Size:

 

L1
L
L3
D1
D
D3
39
47
61
8
92
50
49
57
71
8
92
50

NOTES 1.          THIS MOTOR MEETS CCEE SPECIFICATION (CHINESE NATIONAL STANDARD). 2.          OEM TECHNICAL PARAMETER FROM CLIENT TO MAKE SIMILAR TYPE OF MOTOR IS WELCOME. 3.          THE SHELL OF THIS MOTOR IS INJECTED INTO SHAPE WITH MATERIAL OF GOOD QUALITY      ENGINEERING PLASTIC. SO IT IS CALLED PLASTIC PACKAGED MOTOR.. THIS MOTOR IS      OF HIGH-TEMPERATURE RESISTANCE, DAMPPROOF PROPERTY AND STRONG INSULATION. IT      IS ONE OF THE ADVANCER MOTOR AT HOME AND ABROAD. 4.          MOTOR ASSEMBLY IS IN GOOD FINISH WITH BEST ANTISEPTIC PROPERTY.     5.          ZINC/DICHROMATE PLATED HARDWARE IS THROUGHOUT. 6.          THERMOSTATIC PROTETOR IS ASSEMBLIED IN THIS MOTOR.      7.          MOTOR CONNECTION LEADS IS ATTACHED TO PVC FLEXIBLE WIRE RV105 IN UL APPROVAL. 8.          THIS MOTOR IS APPLICABLE TO SPLIT TYPE AIR CONDITIONER INDOOR UNIT  1PH,      1.5PH, 2PH.

1999-2007 Tai Li Xing Development Ltd Electronics All rights reserved